Product Summary
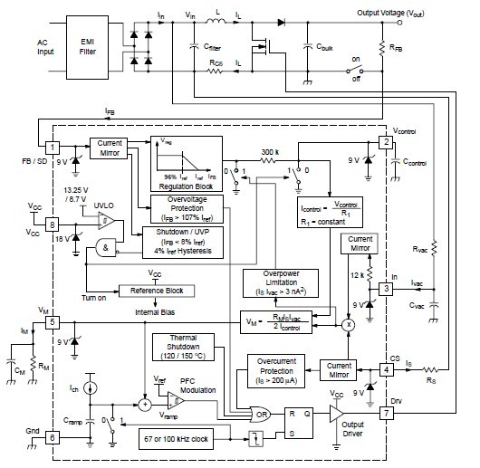
The NCP1653ADR2G is a controller designed for Continuous Conduction Mode (CCM) Power Factor Correction (PFC) boost circuits. It operates in the follower boost or constant output voltage in 67 or 100 kHz fixed switching frequency. Housed in a DIP-8 or SO-8 package, the circuit minimizes the number of external components and drastically simplifies the CCM PFC implementation. It also integrates high safety protection features. The NCP1653ADR2G is a driver for robust and compact PFC stages. Applications include: TV & Monitors, PC Desktop SMPS, AC Adapters SMPS, White Goods.
Parametrics
NCP1653ADR2G absolute maximum ratings: (1)FB, Vcontrol, In, CS, VM Pins (Pins 1.5)Maximum Voltage Range Vmax: -0.3 to +9V; Maximum Current Imax: 100mA; (2)Drive Output (Pin 7) Maximum Voltage Range Vmax: -0.3 to +18V; Maximum Current Range Imax: 1.5A; (3)Power Supply Voltage (Pin 8) Maximum Voltage Range Vmax: -0.3 to +18V; Maximum Current Imax: 100mA; (4)Operating Junction Temperature Range TJ: -40 to +125℃; (5)Storage Temperature Range Tstg: -65 to +150℃.
Features
NCP1653ADR2G features: (1)IEC1000-3-2 Compliant; (2)Continuous Conduction Mode; (3)Average Current-Mode or Peak Current-Mode Operation; (4)Constant Output Voltage or Follower Boost Operation; (5)Very Few External Components; (6)Soft-Start Capability; (7)VCC Undervoltage Lockout with Hysteresis (8.7 / 13.25 V); (8)Overvoltage Protection (107% of Nominal Output Level); (9)Undervoltage Protection or Shutdown (8% of Nominal Output Level); (10)Programmable Overcurrent Protection.
Diagrams

| Image | Part No | Mfg | Description | ![]() |
Pricing (USD) |
Quantity | ||||||||||||
|---|---|---|---|---|---|---|---|---|---|---|---|---|---|---|---|---|---|---|
![]() |
![]() NCP1653ADR2G |
![]() ON Semiconductor |
![]() Power Factor Correction ICs Fixed Frequency Current Mode PFC |
![]() Data Sheet |
![]()
|
|
||||||||||||
| Image | Part No | Mfg | Description | ![]() |
Pricing (USD) |
Quantity | ||||||||||||
![]() |
![]() NCP100 |
![]() Other |
![]() |
![]() Data Sheet |
![]() Negotiable |
|
||||||||||||
![]() |
![]() NCP1000 |
![]() Other |
![]() |
![]() Data Sheet |
![]() Negotiable |
|
||||||||||||
![]() |
![]() NCP1000P |
![]() ON Semiconductor |
![]() Other Power Management 700V 500mA Switching |
![]() Data Sheet |
![]() Negotiable |
|
||||||||||||
![]() |
![]() NCP1000PG |
![]() ON Semiconductor |
![]() Other Power Management 700V 500mA Switching w/OVP and Zero Duty |
![]() Data Sheet |
![]() Negotiable |
|
||||||||||||
![]() |
![]() NCP1001 |
![]() Other |
![]() |
![]() Data Sheet |
![]() Negotiable |
|
||||||||||||
![]() |
![]() NCP1001P |
![]() ON Semiconductor |
![]() Other Power Management 700V 500mA Switching |
![]() Data Sheet |
![]() Negotiable |
|
||||||||||||
(Hong Kong)










